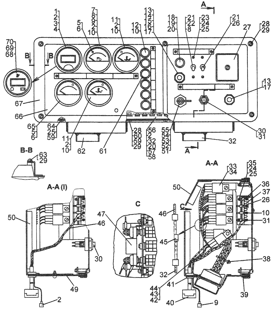
| # | Номер запчасти | Наименование детали | Кол-во в сборке |
| 64-10-500-01СП 1
64-10-500СП 2 64-10-500-03СП 3 64-10-500-02СП 4 | Блок пуска и контроля | 1 | |
| 1 | - | Тахометр ТХАЗ.1-11 | 1 |
| 2 | 64-10-488СП | Провод 154 | 1 |
| 3 | 64-10-489СП | Провод 903 | 1 |
| 4 | 64-10-490СП | Провод 901 | 1 |
| 5 | - | Лампа А24-2 | 7 |
| 6 | - | Патрон со штекером ЛВ211-3714.329 | 7 |
| 7 | Приемник указателя уровня топлива
34.3806 УБ170МУ-ХА УБ170МЭ УБ170МТ | 1 | |
| 8 | 64-10-135СП | Провод 79 | 1 |
| 9 | 50-10-834-02СП | Провод 225 | 1 |
| 10 | 64-10-324СП | Провод 71 | 1 |
| 11 | - | Приемник указателя температуры 36.3807 | 2 |
| 12 | - | Фонарь контрольной лампы 123.3803.010 (рубиновый) | 6 |
| 13 | -
700-42-2426 | Выключатель 11.3704-01
Заглушка | 2 2, 2 3; 1 1, 1 4
1 1, 1 4 |
| 14 | 64-10-147-03СП 1 | Провод 56 | 1 |
| 15 | 64-10-147СП 1, 3 | Провод 54 | 1 |
| 16 | 64-10-150-01СП 1, 3
| Провод 55 | 1 |
| 17 | 64-10-150-02СП | Провод 62 | 2 1, 3
1 2, 4 |
| 18 | - | Фонарь контрольной лампы 124.3803.010 1 (зеленый); | 1 2, 4 |
| 700-42-2426-01 2, 3, 4
| Заглушка | 1 | |
| 19 | 64-10-381СП 1 | Провод 162, 14А | 1 |
| 20 | 64-10-122СП 1 | Провод 144 | 1 |
| 21 | - | Выключатель
В-45М В-45МЭ В-45МТ | 2 |
| 22 | 64-10-147-07СП 1, 2, 4
| Провод 6Б | 1 |
| 23 | - | Винт BM4-6gx12.58.016 | 5 |
| 24 | - | Шайба 4Т65Г 06 | 7 |
| 25 | - | Гайка М4-7Н.8.016 | 7 |
| 26 | 64-10-147-01СП | Провод 50 | 1 |
| 27 | - | Блок предохранителей ПР11-К | 1 |
| 28 | - | Винт M6-6gx30.58.019 | 8 |
| 29 | - | Шайба 6Т 65Г 09 | 23 1
21 2, 3, 4 |
| 30 | - | Выключатель
ВК 322 ВК 322Э ВК 322Т | 1 |
| 31 | 64-10-147-02СП | Провод 6А | 1 |
| 32 | 64-10-456СП 1
64-10-371СП 2, 4 | Жгут 4 | 1 |
| 33 | - | Реле 901.3747 | 6 1
4 2, 4 2 3 |
| 34 | - | Колодка гнездовая 07-6,3-05 | 6 1
4 2, 4 2 3 |
| 35 | - | Винт BM4-6gx16.58.016 | 2 |
| 36 | 700-40-8057 | Прокладка | 1 |
| 37 | 703-80-142 | Шинка | 2 |
| 38 | - | Стяжка кабельная ABB LUSA-SYSTEM 120/2 | 8 |
| 39 | 700-40-7055 | Уплотнение | 1 |
| 40 | 64-10-499СП
64-10-499-01СП 4 | Жгут 6
Жгут 6А | 1 |
| 41 | 41879 | Кольцо | 1 |
| 42 | 64-10-150-01СП | Провод 7Г | 1 |
| 43 | 64-10-150-06СП | Провод 82 | 1 |
| 44 | 64-10-378СП | Провод 82А | 2 |
| 45 | 64-10-399СП 1 | Диод КД 226В | 1 |
| 46 | 64-10-457СП | Провод 126В | 1 |
| 47 | Резистор добавочный с электротермическим реле 121.2.3741 1 | 1 | |
| 48 | 64-10-368СП | Провод 182 | 1 |
| 49 | 64-10-197 3 | Пластина | 1 |
| 50 | 64-10-117СП | Корпус | 1 |
| 51 | Замок-включатель
ВК856 ВК856Э ВК856Т | 1 | |
| 52 | 64-10-150СП | Провод 93 | 1 |
| 53 | 64-10-121СП 1 | Провод 66 | 1 |
| 54 | 64-10-146СП | Провод 67 | 1 |
| 55 | 64-10-150-03СП | Провод 63 | 1 |
| 56 | - | Панель соединительная 16 3723 000 | 1 |
| 57 | 64-10-366СП | Провод 8Г | 1 |
| 58 | 64-10-367 3 | Провод 154Г | 1 |
| 59 | 31358-1 | Шайба | 4 |
| 60 | - | Гайка М6-7Н.6.019 | 9 |
| 61 | 64-10-369СП | Провод 107А | 1 |
| 62 | 64-10-498СП 1
64-10-332СП 4 64-10-333СП 3 | Жгут 5
Жгут 5А | 1 |
| 63 | 64-10-147-08СП 1 | Провод 94А | 1 |
| 64 | - | Винт В.М6-6gx12.58.019 | 13 |
| 65 | - | Приемник указателя давления 331.3810 | 1 |
| 66 | 64-10-230СП | Панель | 1 |
| 67 | 64-10-129СП | Панель | 1 |
| 68 | - | Счетчик моточасов
Вольтметр УК 34.2 4 РИВП 453.895.006 | 1 |
| 69 | 64-10-153СП 4 | Провод 60 | 1 |
| 70 | 64-10-452СП 4 | Провод 7Б | 1 |
| I - Для трактора с пусковым двигателем. | |||
| 1 Для трактора с электростартерной системой пуска и ЭФУ.
2 Для трактора с электростартерной системой пуска. 3 Для трактора с пусковым двигателем. 4 Для трактора с электростартерной системой пуска, без кабины. | |||
| # | Номер запчасти | Наименование детали | Кол-во в сборке |
| - | 64-10-639-02СП 1
64-10-639СП 2 | Блок пуска и контроля | 1 |
| 1 | - | Винт В.М6-6g×35.58.019 | 6 |
| 2 | - | Шайба 6Т 65Г 06 | 14 1, 16 2 |
| 3 | - | Панель приборная ПП-08 ЮГИШ.453895.001 | 1 |
| 4 | 64-10-643СП | Панель | 1 |
| 5 | - | Винт В.М5-6g×16.58.019 | 4 |
| 6 | - | Гайка М5-7Н.6.019 | 4 |
| 7 | - | Шайба 5Т 65Г 06 | 4 |
| 8 | - | Выключатель 11.3704-01 | 2 |
| 9 | 64-10-315 | Табличка | 1 |
| 10 | 64-10-315-05 2 | Табличка | 1 |
| 11 | - | Переключатель 82.3709-22.00 | 2 |
| 12 | 64-10-315-01 2 | Табличка | 1 |
| 13 | 64-10-315-04 | Табличка | 1 |
| 14 | 64-10-315-02 | Табличка | 1 |
| 15 | 64-10-315-03 | Табличка | 1 |
| 16 | - | Выключатель
ВК 322 ВК 322Т 3 | 1 |
| 17 | 64-10-637СП 2 | Жгут 4 | 1 |
| 18 | - | Замок-включатель
ВК856 ВК856 Э 4 ВК856 Т 3 | 1 |
| 19 | 64-10-638СП 2 | Жгут 5 | 1 |
| 20 | - | Винт В.М6-6g×12.58.019 | 4 |
| 21 | - | Гайка М6-7Н.6.019 | 4 |
| 22 | - | Винт В.М4-6g×16.58.016 | 6 1, 10 2 |
| 23 | - | Гайка М4-6Н.6.016 | 2 |
| 24 | - | Шайба 4Т 65Г 06 | 6 1, 10 2 |
| 25 | 700-40-8057 | Прокладка | 1 |
| 26 | 64-10-648СП 1 | Жгут 5 | 1 |
| 27 | - | Блок предохранителей ПР11-Р
Блок предохранителей ПР11-К | 1 |
| 28 | 64-10-647-01СП 1
64-10-647СП 2 | Крышка | 1 |
| 29 | - | Сигнализатор звуковой 733.3747-10 | 1 |
| 30 | 703-80-142 | Шинка | 1 1, 2 2 |
| 31 | - | Резистор добавочный с электротермическим реле 1212.3741 2 | 1 |
| 32 | - | Винт В.М6-6g×16.58.019 | 5 1, 6 2 |
| 33 | - | Реле 753.3777 | 2 1, 3 2 |
| 34 | 64-10-315-06 1 | Табличка | 1 |
| 35 | 64-10-315-07 1 | Табличка | 1 |
| 36 | 41879 | Кольцо | 1 |
| 37 | 64-10-640СП | Корпус | 1 |
| 38 | 700-40-7055 | Уплотнение | 1 |
| 39 | 64-10-197 1 | Пластина | 1 |
| 1 Для трактора с пусковым двигателем.
2 Для трактора с электростартерной системой пуска. 3 Для тропиков. 4 Для экспорта. | |||
